
| 型號 | D6T-44L-06/06H | D6T-8L-09/09H | D6T-1A-01 | D6T-1A-02 | D6T-32L-01A |
|---|---|---|---|---|---|
| 電源電壓 | DC4.5V~5.5V | ||||
| 保存溫度范圍 | ?10 ~ 60°C | ?20 ~ 80°C | ?40 ~ 80°C | ?20 ~ 80°C | |
| 使用溫度范圍 | 0 ~ 50°C | 0 ~ 60°C | ?10 ~ 70°C | ||
| 儲存濕度范圍* | 85% 以下. | 95% 以下. | |||
| 使用濕度范圍* | 20% ~ 85% | 20% ~ 95% | |||
* 不結冰、凝露
| 型號 | D6T-44L-06/06H | D6T-8L-09/09H | D6T-1A-01 | D6T-1A-02 | D6T-32L-01A | |
|---|---|---|---|---|---|---|
| 視野角度*1 | X 方向 | 44.2° | 54.5° | 58.0° | 26.5° | 90° |
| Y 方向 | 45.7° | 5.5° | ||||
| 對象物溫度輸出精度*2 | 精度 1 |
±1.5℃以內 測量條件 :Vcc=5.0V ①Tx=25℃,Ta=25℃ ②Tx=45℃,Ta=25℃ ③Tx=45℃,Ta=45℃ |
±3.0℃以內 測量條件 :Vcc=5.0VTx=25℃、Ta=25℃ 中央16像素區域 | |||
| 精度 2 |
±3.0℃以內 測量條件 :Vcc=5.0V④Tx=25℃,Ta=45℃ |
±5.0℃以內 測量條件 :Vcc=5.0V Tx=80℃、Ta=25℃ 中央16像素區域 | ||||
| 消耗電流 | Typ. 5mA | Typ. 3.5mA | Typ. 19mA | |||
| 型號 | D6T-44L-06/06H | D6T-8L-09/09H | D6T-1A-01 | D6T-1A-02 | D6T-32L-01A |
|---|---|---|---|---|---|
| 對象物溫度檢測范圍*2 | 5~50℃/5~200℃ | 5 ~ 50°C | ?40 ~ 80°C | 0 ~ 200°C | |
| 環境溫度檢測范圍*2 | 5 ~ 45°C | 0 ~ 80°C | |||
| 輸出規格 | 向串行通信端口輸出與對象物溫度(Tx)、參照溫度(Ta)對應的數字值 | ||||
| 輸出形態 | Binary Code(檢測溫度[℃]的10倍) | ||||
| 通信形態 | I2C 形態 | ||||
| 溫度分辨率(NETD)*3 | 0.06°C | 0.03°C | 0.02°C | 0.06°C | 0.33°C *4 |





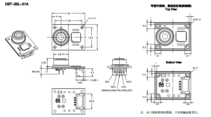
| 名稱 | 端子 | 功能 | 備注 |
|---|---|---|---|
| GND | 1 | 接地 | – |
| VCC | 2 | 正電源電壓輸入 | – |
| SDA | 3 | 串行數據輸入輸出線 | 請將開漏、SDA連接至上拉電阻。 |
| SCL | 4 | 串行時鐘輸入 | 請將開漏、SCL連接至上拉電阻。 |
注. 視野角度的定義:以改變傳感器角度時的最大傳感器輸出為基準,將傳感器輸出
可達其50%以上的角度范圍定義為視野角度。

















點擊咨詢
電話咨詢
QQ咨詢
微信咨詢
回到頂部